| Component Location |

| 1. Cap 2. Nut 3. Wiper arm & blade 4. Cowl top cover |
5. Bolt 6. Wiper motor & linkage assembly 7. Wiper motor connector |
| Removal |
| 1. |
Disconnect the negative (-) battery terminal.
|
| 2. |
If necessary, release the wiper blade fixing clip(A) by pulling up and
remove the wiper blade(B) from the inside radius of wiper arm.
|
| 3. |
Remove the cowl top cover.
(Refer to Body - "Cowl Top Cover")
|
| 4. |
Disconnect the wiper motor connector (A) from the wiper motor & linkage
assembly.
|
| 5. |
Remove the windshield wiper motor and linkage assembly (A) after removing
2 bolts.
|
| 6. |
Hold the wiper motor crank arm and remove the upper linkage (A) from
the wiper motor crank arm.
|
| 7. |
Remove the lower linkage (A) from the wiper motor crank arm.
|
| 8. |
Remove the crank arm after loosening a nut.
|
| 9. |
Remove the bracket after loosening the screws.
|
| 10. |
Remove the wiper motor from the tube.
|
| Installation |
| 1. |
Install the wiper motor and linkage assembly and then connect the wiper
motor connector.
|
| 2. |
Install the cowl top cover.
|
| 3. |
Install the windshield wiper arm and blade.
|
| 4. |
Install the wiper arm and blade to the specified position.
A : Auto stop position (Blade)
|
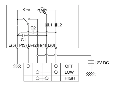
| Inspection |
| 1. |
Remove the connector (A) from the wiper motor.
|
| 2. |
Attach the positive (+) lead from the battery to terminal 3 and the
negative (-) lead to terminal 1.
|
| 3. |
Check that the motor operates at low or high speed as below table.
|
| 1. |
In the body electrical system, failure can be quickly diagnosed by using
the vehicle diagnostic system (Diagnostic tool).
The diagnostic system (Diagnostic tool) provides the following information.
|
| 2. |
If diagnose the vehicle by Diagnostic tool, select "DTC Analysis" and
"Vehicle".
|
| 3. |
Select the 'Data Analysis'.
|
| 4. |
Select the 'IBU_BCM' to search the current state of the input/output
data.
|
Repair procedures Removal 1. Disconnect the negative (-) battery terminal. 2. Remove the steering wheel.
Repair procedures Inspection Front and Rear Washer Motor 1. With the washer motor connected to the reservoir tank, fill the reservoir tank with water.
Description and operation Description The auto defogging sensor is installed on the front window glass. The sensor judges and sends signal if moisture occurs to blow out wind for defogging. The air conditioner control module receives a signal from the sensor and restrains moisture and eliminates defog by the intake actuato
Repair procedures Replacement 1. Remove the rear heater & A/C unit. (Refer to Rear Heater - "Rear Heater Unit") 2. Loosen the mounting screws and remove the rear heater core cover (A).