Hyundai Palisade (LX2): Panorama Sunroof / Panorama Sunroof Motor

Repair procedures

Replacement
1.
Disconnect the negative (-) battery terminal.
2.
Remove the roof trim assembly.
(Refer to Body - "Roof Trim Assembly")
3.
Remove the sunroof motor mounting screws (3EA). And then remove the sunroof motor (A) after disconnecting the connector.
[Sunroof Motor]

Hyundai Palisade. Repair procedures

4.
Remove the blind motor mounting screws (3EA). And then remove the blind motor (A) after disconnecting the connector.
[Blind Motor]

Hyundai Palisade. Repair procedures

Resetting The Panoramaroof
Whenever the vehicle battery is disconnected or discharged, or you use the emergency handle to operate the panoramaroof, you have to reset your panoramaroof system as follows :
Hyundai Palisade. Repair procedures   
You need to reset the sunroof motor to its default settings for the following cases :
–
The sunroof motor loses battery power temporarily because the battery or fuse is replaced or the battery has died.
–
The automatic opening or closing of the sunroof, a one-touch feature, does not function properly.
–
The sunroof reopens during automatic closing even if there is no object caught in the sunroof (safety feature)
1.
Turn the ignition key to the ON position and then close the panoramaroof completely.
2.
Release the panoramaroof control lever.
3.
Press and hold the CLOSE button for more than 10 seconds until the sunroof has moved slightly.
4.
Release the panoramaroof control lever.
5.
Press and hold the CLOSE button once again within 5 seconds until the panorama sunroof do as follows ;
•
Blind open and glass open → Glass close → Blind close
Then release the lever.
6.
Reset procedure of panorama system is finished.
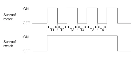
Protecting The Overheated Motor
In order to protect the overheated panoramaroof motor by continuous motor operation, the panoramaroof ECU controls the Run-time and Cool-time of motor as followings;
1.
The panoramaroof ECU detects the Run- time of motor
2.
Motor can be operated continuously for the 1st Run-time(120 ± 10sec.).
3.
Motor which is operated continuously stops operating after the 1st Run-time(120 ± 10sec.).
4.
And then Motor is not operated for the 1st Cool-time(18 ± 2sec.).
5.
Motor is operated for the 2nd Run-time(10 ± 2sec.) at the continued motor operation after 1st Cool-time(18 ± 2sec.)
6.
Motor which is operated continuously stops operating after the 2nd Run-time(10 ± 2sec.)
7.
Motor is not operated for the 2nd Cool-time(18 ± 2sec.).
8.
Motor repeats the 2nd Run-time and 2nd Cool-time at the continued motor operation.
–
In case that motor is not operated continuously, the Run-time which is limited for protecting the overheated motor is increased.
–
The Run-Time of motor is initialized to "0" if the battery or fuse is reconnected after being disconnected, discharged or blown.

Hyundai Palisade. Repair procedures

T1 : 120 ± 10 sec., T2 : 18 ± 2 sec.,
T3 : 10 ± 2 sec., T4 : 18 ± 2 sec.

    Repair procedures Inspection 1. Disconnect the negative (-) battery terminal. 2. Open the sunglass case cover from the overhead console then remove screws (2EA).

    Other information:

    Hyundai Palisade (LX2) 2020-2026 Service Manual: Auto Defogging Actuator

    Description and operation Description The auto defogging sensor is installed on the front window glass. The sensor judges and sends signal if moisture occurs to blow out wind for defogging. The air conditioner control module receives a signal from the sensor and restrains moisture and eliminates defog by the intake actuato

    Hyundai Palisade (LX2) 2020-2026 Service Manual: Front Radar Unit

    Specifications Specification Item Specification Power supply (V) 12 Operation voltage (V) 9 - 16 Description and operation Description The smart cruise control unit is installed on the front right-hand side of the chass

    Categories

     
    Copyright © 2026 www.hpalisadelx.com - 0.0163