| Specification |
|
Item |
Specification |
|
Rated voltage |
13.5V , 180A |
|
Speed in use |
1,500 - 18,000rpm |
|
Voltage regulator |
IC Regulator built in type |
|
Default regulated voltage (V) [COM terminal] |
14.09 - 14.91 (-35°C) |
|
13.96 - 15.04 (140°C) |
|
|
Pin |
1 |

| Description |

| 1. Brush 2. Drive belt pully 3. Rotor 4. Stator |
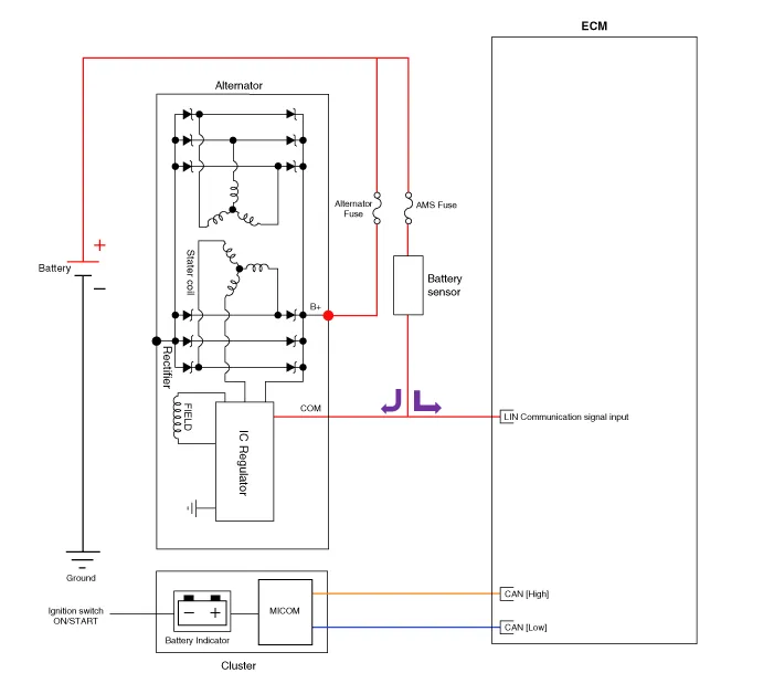
| Circuit Diagram |

|
| Removal |
| 1. |
Turn ignition switch OFF and disconnect the battery negative (-) terminal.
|
| 2. |
Remove the alternator mounting nut, and then remove the cable(A) from
alternator "B" terminal.
|
| 3. |
Disconnect the alternator connector (B).
|
| 4. |
Remove the alternatir upper bolt (A).
|
| 5. |
Lift the vehicle.
|
| 6. |
Remove the engine room under cover.
(Refer to Engine Mechanical System - "Engine Room Under Cover")
|
| 7. |
Remove the drive belt.
(Refer to Engine Mechanical System - "Drive Belt")
|
| 8. |
Disconnect the compressor ECV connector, and then by loosening the mounting
bolts, widen the gap between the compressor (A) from the engine to remove
the alternator.
|
| 9. |
Remove the alternator lower bolt (A).
|
| 10. |
Remove the alternator (A).
|
| Installation |
| 1. |
Install in the reverse order of removal.
|
| 2. |
Install the drive belt.
(Refer to Engine Mechanical System - "Drive Belt")
|
Troubleshooting • Be careful not to short-circuit the wiring by the body or other wirings.
Specifications Specification Item Specification Model type AGM80L-BCI Capacity [20HR/5HR] (AH) 80/64 Cold Cranking Amperage (A) 800 (SAE) / 640 (EN) Reserve Capacity (Min) 155 ▷CMF68L-DIN Item Specification Capacity [20HR / 5HR] (AH) 68 / 54 Cold Cranking Amperage (A) 600 (SAE / EN) Reserve Capacity (Min) 113 ▷CMF80L-DIN Item Specification Capacity [20HR / 5HR] (AH) 80 / 64 Cold Cranking Amperage (A) 660 (SAE / EN) Reserve Capacity (Min) 145 ▷CMF90L-DIN Item Specification Capacity [20HR / 5HR] (AH) 90 / 72 Cold Cranking Amperage (A) 740 (SAE) / 740 (EN) Reserve Capacity (Min) 170 ▷CMF68L-DIN [Openable] Item Specification Capacity [20HR / 5HR] (AH) 68 / 54 Cold Cranking Amperage (A) 600 (SAE / EN) Reserve Capacity (Min) 113 ▷CMF80L-DIN [Openable] Item Specification Capacity [20HR / 5HR] (AH) 80 / 64 Cold Cranking Amperage (A) 660 (SAE / EN) Reserve Capacity (Min) 145 ▷CMF90L-DIN [Openable] Item Specification Capacity [20HR / 5HR] (AH) 90 / 72 Cold Cranking Amperage (A) 740 (SAE) / 740 (EN) Reserve Capacity (Min) 170 • Model type description • Cold Cranking Ampere (CCA) : A rating used in the battery industry to define a battery's ability to start an engine in cold temperatures.
Components and components location Components 1. Remote control switch (Audio swtich) 2. Remote control switch (Cruise control switch) Schematic diagrams Circuit Diagram Trip + SCC Repair procedures Removal 1.
Description Surround View Monitor (SVM) is the system that allows video monitoring of 360 degrees around the vehicle. The system includes 4 ultra optical camera mounted around the vehicle (front, both sides, rear). The video from these cameras are applied with distortion compensation, time point conversion, and video me