| Description |
| Components |

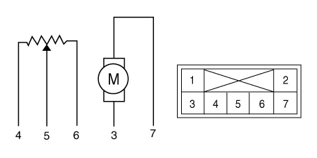
| 1. Intake actuator |
| Inspection |
| 1. |
Turn the ignition switch OFF.
|
| 2. |
Disconnect the intake actuator connector.
|
| 3. |
Verify that the intake actuator operates to the fresh air position when
connecting 12V to terminal 3 and grounding terminal 7.
Verify that the intake actuator operates to the recirculated air position
when connected in reverse.
|
| 4. |
Connect the intake actuator connector.
|
| 5. |
Turn the ignition switch ON.
|
| 6. |
Check the voltage between terminal 5 and 6.
Specification
It will feedback the current position of the actuator to controls.
|
| 7. |
If the intake actuator does not operate well, substitute with a known-good
intake actuator and check for proper operation.
|
| 8. |
Replace the intake actuator if it is proved that there is a problem
with it.
|
| Replacement |
| 1. |
Disconnect the negative (-) battery terminal.
|
| 2. |
Remove the main crash pad assembly.
(Refer to Body - "Main Crash Pad Assembly")
|
| 3. |
Separate the intake actuator connector (A), loosen the mounting screws
and remove the intake actuator (B).
|
| 4. |
Install in the reverse order of removal.
|
Description and operation Description The climate control air filter is located in the blower unit. It eliminates foreign materials and odor.
Description and Operation Blcok Diagram • This system monitors the driving situations through the radar and the camera. Thus, for a situation out of the sensing range, the system may not normally operate.
Trouble Symptom Charts Trouble Symptom 1 Trouble Symptom 2 Trouble symptom Probable cause Remedy The set vehicle speed varies greatly upward or downward "Surging" (repeated alternating acceleration and deceleration) occurs after set